Civil Engineering
0 ContainersFiles in Civil Engineering
Order by
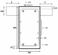
Design of One Way slab, Two way slab, Column , Beam, Footings , Stair Case As per IS456
Short Description:
Design of One Way slab, Design of Two way slab, Design of Column , Design of Beam, Design of Footings , Design of Staircase Complete Pack...
Submitted By:
Last Modified
25 Jun 2020
Downloads:
156
EARTHQUAKE PORTAL METHOD 5-BAY FRAME
Short Description:

Submitted By:
Last Modified
17 Oct 2015
Downloads:
110
Europeon steel Section Database -Dlubal
Short Description:
a comprehenisve list of all Europeon Steel section Data taken from Dlubal (website https://www.dlubal.com/en/cross-section-properties). Documented ...
Submitted By:
Last Modified
20 Sep 2023
Downloads:
24
Footing Bending Stress Calculation
Short Description:
Footing Bending Stress The Structural Designers Foundation Manual provides guidelines for calculating bending stress in footings, which are critic...
Submitted By:
Last Modified
12 Mar 2023
Downloads:
35
GRDSLAB.xls
Short Description:
Calculation Description: 'GRDSLAB' is a spreadsheet program written in MS-Excel for the purpose of analysis of conc...
Submitted By:
Last Modified
31 Dec 2014
Downloads:
2067


































